振動壓路機是利用其自身重力和振動作用,用于壓實各種建筑和筑路材料的機械,是公路、機場、海港、堤壩、鐵路等建筑和筑路工程必備的壓實設備。由于壓實效果好,影響深度大,生產率高,目前得到了迅速發展,已成為現代壓路機的主要機型。
1.振動壓路機主要機型:
按機器結構質量可分為輕型、小型、中型、重型和超重型;
按行駛方式可分為自行式、拖式和手扶式;
按驅動輪數量可分為單輪驅動、雙輪驅動和全輪驅動;
按傳動系傳動方式可分為機械傳動、液力機械傳動、液壓機械傳動和全液壓傳動;
按振動輪外部結構可分為光輪、凸塊 (羊腳 )和橡膠滾輪;
按振動輪內部結構可分為振動、振蕩和垂直振動。
振動壓路機一般按其結構形式和結構質量來分類,常用結構形式的分類見表10-1。
表10-1 振動壓路機的分類
2.自行式振動壓路機
(1)基本構造
自行式振動壓路機基本構造主要由動力裝置、傳動裝置、振動裝置、行走裝置和駕駛操縱等部分組成。
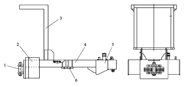
以YZ18型振動壓路機為例(如圖10-10),采用全液壓控制、雙輪驅動、單鋼輪、自行 式結構,屬于超重型壓路機。主要由電氣系統1、操作系統2、駕駛室3、液壓系統5、發動機總成6、后車架7、后橋8、后輪9、變速器10、中心鉸接架11、轉向油缸12、行走馬達13、前車架 14和振動輪總成 15等組成。適合于高等級公路及鐵路基礎、機場、大壩、碼頭等高標準工程的壓實工作。振動輪部分和驅動車部分通過中心鉸接架鉸接在一起,車架是壓路機的主骨架,其上裝有發動機、行駛和振動及轉向系統等各種裝置。


圖10-10 YZ18型壓路機總體結構
1-電氣系統;2-操作系統;3-駕駛室;4-覆蓋件;5-液壓系統;6-發動機總成;7-后車架;8-后橋;9-后輪;10-變速器;11-中心鉸接架;12-轉向油缸;13-行走馬達;14-前車架;15-振動輪總成;16-行走馬達;17-液壓油箱;18-柴油箱
車架由前、后車架組成,是壓路機的主骨架 ,車架上裝有發動機、行駛和振動及轉向系統、操作系統、駕駛室、電氣系統和安全保護裝置等。前車架由刮泥板總成、前、后框板、兩塊側框板組成。主要功能是支撐振動輪總成。前車架為典型的方框結構 ,采用高強度鋼板焊接而成 ,應具有足夠的強度以抵抗壓路機工作時的強沖擊力和轉矩。后車架由傾翻保護架3、液壓油箱2、框架大梁 4和燃油箱 5等組成。主要功能是支撐發動機和駕駛室 ,固定后橋。如圖 10-11所示。后車架為長方框結構 ,前面是和中心鉸接架相連的立軸和前板 ,后面是燃油箱總成 ,中間是槽鋼架。為了保證強度 ,薄弱部位采用加強筋加強 ,成箱形梁結構。底部后橋支板用螺栓和后橋總成剛性連接。為了減小振動產生的影響 ,發動機和后車架之間設有彈性減振塊 ,同時又可方便地將發動機調整到水平位置。

圖10-11 YZ18型壓路機后車架結構
1-中心銷軸;2-液壓油箱;3-傾翻保護架;4-框架大梁;5-燃油箱;6-后橋支板
(2)傳動系統
振動壓路機傳動系統分為機械傳動和液壓傳動兩大類。采用機械傳動的壓路機,發動機動力通過離合器、變速器、差速器、輪邊減速器,最后到達驅動輪。
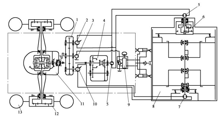
YZ18型壓路機行走系統由軸向柱塞泵2、馬達5、變速器4、傳動軸、驅動橋 11和振動輪輪邊減速器 12組成。振動系統由軸向柱塞泵10、馬達 7和偏心調幅機構組成。轉向系統由雙聯齒輪泵3、全液壓轉向器 9和轉向油缸組成。發動機動力通過分動箱 1帶動軸向柱塞泵2、轉向雙聯齒輪泵 3和軸向柱塞泵 10,并經相應液壓馬達將動力傳給振動輪、轉向和行走系統。如圖10-12所示。

圖10-12 YZ18型振動壓路機傳動系統
1-分動箱;2-行走驅動軸向柱塞泵;3-轉向及風扇用雙聯齒輪泵;4-變速箱;5-行走驅動定量馬達;6-行星減速器;7-振動驅動定量馬達;8-振動輪;9-液壓轉向器;10-振動驅動變量泵;11-驅動橋;12-輪邊行星減速器;13-輪胎
(3)振動輪
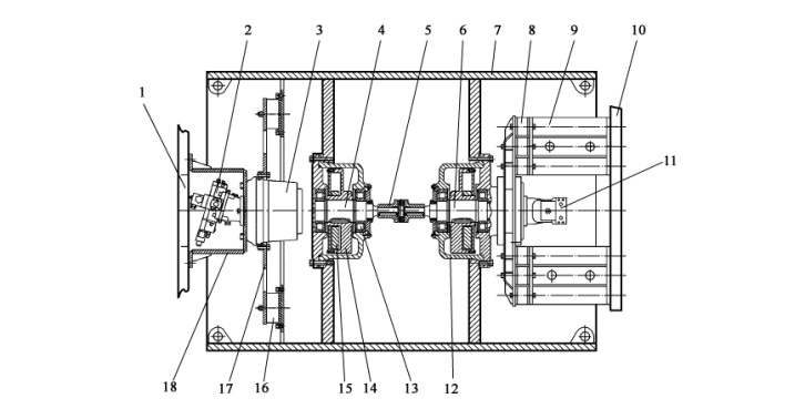
振動輪是振動壓路機的重要部件,通過振動輪的變頻和變幅來完成壓實工作。YZ18型壓路機振動輪總成結構,由振動輪體7、行走馬達2、行走減速器3、左振動軸4、右振動軸6、固定偏心塊14、活動偏心塊15、振動馬達11、減振塊 8和18、右連接支架9、左連接支架 18和聯軸器 5等組成。如圖10-13所示。振動輪體采用鋼板卷制焊接而成。振動輪內有兩個激振機構,是振動壓路機產生振動的力源。激振機構由振動軸4、固定偏心塊14、活動偏心塊15、軸承 12和封閉箱體 13等組成。兩個激振機構結構相同,兩根振動軸 4和 6在振動輪中間用聯軸器 5聯結為一體同步轉動。振動馬達帶動振動軸高速旋轉時,偏心塊所產生的離心力就是振動壓路機的激振力。

圖10-13 YZ18C型振動壓路機振動輪
1-前車架左側框板;2-行走馬達;3-行走減速器;4-左振動軸;5-聯軸器;6-右振動軸;7-振動輪體;8-減振塊;9-右連接支架; 10-前車架右側框板;11-振動馬達;12-軸承;13-箱體;14-固定偏心輪;15-活動偏心輪;16-減振塊;17-行走減速器固定板; 18-左連接支架
(4)調幅裝置
YZ18型壓路機激振機構裝有可調振幅的活動偏心塊,活動偏心塊套在固定偏心塊的輪轂上,調幅裝置是一個密封結構,里面充有硅油,如圖10-14所示。

圖10-14 調幅裝置結構圖
1-固定偏心塊;2-活動偏心塊;3-固定偏心塊蓋
(5)主要技術參數
振動壓路機的主要技術參數有工作質量、振動輪尺寸、振動頻率、激振力、速度、額定功率等。
3.雙鋼輪振動壓路機
雙輪串聯振動壓路機一般都采用全輪驅動和全輪振動。全輪振動的目的是充分發揮機器本身的結構功能,提高壓實生產率。
YZC12型振動壓路機(如圖10-15)主要由車架、動力裝置、振動輪、液壓系統、電氣系統等組成。該機采用全液壓傳動、雙輪驅動、雙輪振動、自行式結構。前后車架通過中心鉸接架連接在一起,采用鉸接式轉向方式。并配有性能優良的蟹行機構,具有良好的貼邊壓實性能、彎道壓實性能和機動性能。


圖10-15 雙鋼輪振動壓路機總體結構
1-灑水系統;2-后車架;3-中心鉸接架;4-液壓系統;5-前車架;6-振動輪;7-動力裝置;8-操縱臺總成;9-空調;10-駕駛室; 11-覆蓋件
車架包括前車架及后車架兩部分,前、后車架均采用整體焊接結構,通過中心鉸接架連接成一個整體。
前車架由前車架體、刮泥板等組成。主要功用是支承駕駛室、前水箱和燃油箱等。燃油箱為兩個分體式結構,固定在車架的兩端,底部由膠管相連通,加油口設在左側,刮泥板在壓路機工作時可以刮下粘在振動輪上的雜物,刮泥板與鋼輪間為彈簧裝置自動壓緊,無需調整。前車架與駕駛室間裝有起減振緩沖作用的減振塊,以減輕振動對駕駛員的不利影響。
后車架總成由后車架體、刮泥板等組成。它的主要功用是支承發動機、液壓油箱、后水箱等。發動機和后車架之間也裝有彈性減振塊,同時可方便地將發動機調整到水平位置。
振動輪包括前、后振動輪總成及叉腳等部件。振動輪總成由振動輪體 (滾輪)、軸、調幅裝置、減振塊、驅動馬達、振動馬達、彈性聯軸器、振動軸承、行駛支承、軸承座、梅花板、左右叉腳等組成。支承整機重量,實現壓路機行走,是振動壓路機的主要工作部件,可將柴油機動力最終轉化為對路面的壓實力。振動輪與車架的連接處設有橡膠減振塊,將振動輪的振動與車架割開。
發動機安裝在后車架上,液壓系統的泵組直接與發動機相連,液壓系統的執行元件 (馬達、油缸 )安裝在相應的工作部件處。操縱裝置、駕駛室、空調、電氣系統的主要部件都安裝在前車架上。
前、后振動輪各有一套獨立的灑水系統。工作時,灑水系統向碾壓鋼輪的表面均勻噴水,在輪子表面上形成均勻的覆蓋水層,與刮泥板組合能夠有效地避免鋼輪表面黏結瀝青或其他雜物,以防止因鋼輪表面黏結瀝青而影響壓實質量。
4.手扶式振動壓路機
手扶式振動壓路機主要形式如圖10-16。


圖10-16 手扶式振動壓路機
a.雙輪整體式;b.雙輪鉸接式;c.單輪式
手扶式振動壓路機振動輪結構與自行式壓路機振動輪結構大致相似,振動輪的激振器結構多采用偏心塊式。
5.震動壓路機特點及適用范圍
光輪振動壓路機最適用于壓實非黏性土 (砂土、砂礫石)、碎石、塊石、堆石、瀝青混凝土及不同類型、不同厚度的瀝青鋪層。這種壓路機在斷開振動機構后,還可用作靜力壓實機械進行整平碾壓作業。羊腳或凸塊式振動壓路機既可壓實非黏性土,又可壓實含水率不大的黏性和細顆粒沙礫石以及碎石和土的混合料。
與靜力作用壓路機相比,振動壓路機具有壓實效果好、生產效率高,壓實后的基礎壓實度高、穩定性好等特點。壓實瀝青混凝土面層時,允許瀝青混凝土的溫度較低,且由于振動作用,可使面層的瀝青材料能與其他集料充分滲透、糅合,故路面耐磨性好,返修率低;可壓實干硬性 水泥混凝土 (即 RCC材料 )及大粒徑的回填石等靜作用壓路機難以壓實的物料;在壓實效果相同的情況下,振動壓路機的結構質量為靜作用壓路機的一半,發動機的功率可降低 30%左右。
6.常見設備
1、兩輪串聯振動壓路機
2、兩輪并聯振動壓路機
3、兩輪鉸接振動壓路機
4、四輪振動壓路機
5、輪胎驅動光輪振動壓路機
6、輪胎驅動凸塊振動壓路機
7、鋼輪輪胎組合振動壓路機
8、手扶式振動壓路機
9、拖式振動壓路機
|